| Outline: |
| What is a circuit? |
| The purpose of building a circuit |
| What are elements? |
| The Definition of Current |
| Voltage |
| Energy and Power |
A circuit is a colletion of of electrical elements interconnected in some way, where at least one closed path exists so that current may flow.
| This IS a circuit: | ![]() |
| This is NOT a circuit: | ![]() |
The purpose of contructing circuits is to direct current in a specific way such that work can be performed. This is similar to damming a river and forcing the water to flow through turbines which are in turn connected to generators. The idea is that we want to take advantage of our sources of energy to perform some useful work. In this course, our sources of energy are batteries and power supplies.
| Useful work is getting done because current
is flowing from V1 to the resisitor (resistor may be a lightbulb or a stove burner): |
![]() |
| Current is just flowing into the Ground,
i.e. nothing useful is happening: |
![]() |
Elements are the individual components or building blocks of a circuit. Some Circuit Components:Top of Page
Resistor: capacitor: Inductor: Battery: Generator: Diode: Inverter: Transistor:
Current is the flow of charge. It can be defined as either the flow of negative charge (the flow of electrons) or it can be defined as the flow of positive charge. The military typically defines current as the flow of negative charge, however most academic institutions define current as the flow of positive charge. Both conventions are valid when doing circuit analysis.In this class we will ALWAYS assume current is the flow of POSITIVE charge.

In this class we will describe charge in terms of Coulombs. The Symbol for charge is Q For example: Q = 4C <--- This means the amount of charge is 4 Coulombs In this class we are interested in the FLOW OF CHARGE. Static charge (charge that isn't moving) isn't very useful for getting work done. Charge in motion is called Current.


![]() |
![]() |
![]() |
![]() |
| Here the element is absorbing Energy Current flows into the positive terminal |
![]() |
| Here the element is delivering Energy Current flows into the negative terminal |
![]() |
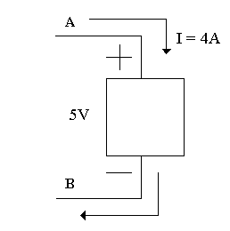
| Here the element is absorbing Energy Pabs = VI = 5V(4A)= 20 Watts, or we can say Pdel = -20 Watts Note: Pabsorbed = -Pdelivered |
![]() |
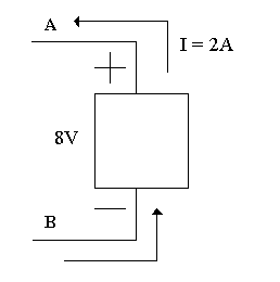
| Here the element is delivering Energy Pdel = VI = 8V(2A)= 16 Watts, or we can say Pabs = -16 Watts Note: Pabsorbed = -Pdelivered |
![]() |
| Here the element is absorbing Energy Pabs = VI = -6V(-4A)= 24 Watts, or we can say Pdel = -24 Watts Note: Pabsorbed = -Pdelivered |
![]() |
| Here the element is delivering Energy Pdel = VI = -9V(5A)= -45 Watts, or we can say Pabs = 45 Watts Note: Pabsorbed = -Pdelivered |
![]() |